 
         
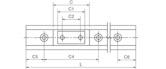
        | Order no. | Max. rail lengths | a | C4 | A3 | C5=C6 | h | h1 | K1* | ly | lz | Weight of rail | Price / m | ||
|---|---|---|---|---|---|---|---|---|---|---|---|---|---|---|
| [L max.] | Min. | max. | [mm2] | [mm2] | [g/m] | |||||||||
| NS-01-40 | 3000 | 40 | 60 | 0 | 20 | 20/49,5 | 8.7 | 1.3 | M4 | 26400 | 970 | 450 | 47.99 EUR | |
| NS-01-40-UNGEBOHRT | 3000 | 40 | 0 | 0 | 0 | 8.7 | 1.3 | 26400 | 970 | 450 | 42.96 EUR | |||
| NS-01-40-AR | 3000 | 40 | 60 | 0 | 20 | 20/49,5 | 8.7 | 1.3 | M4 | 26400 | 970 | 450 | 55.19 EUR | |
                    For unbored rails please indicate "Unbored" in the remark.
* for cylinder screw with low head
                
| Order no. | Designation | Weight of carriage | ||
|---|---|---|---|---|
| [g] | ||||
| NW-02-40 | Carriage clipped on, fixed bearing | 30 | 9.86 EUR | |
| NW-02-40-LLY | Carriage clipped on, floating bearing y-direction | 30 | 9.85 EUR | |
| NW-02-40-LLZ | Carriage clipped on, floating bearing z-direction | 30 | 9.85 EUR | |
| NW-02-40-LLYZ | Carriage clipped on, floating bearing y and z-direction | 30 | 9.85 EUR | 
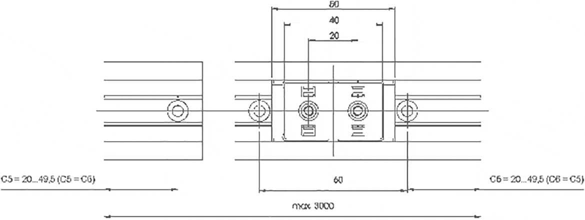
| Part. No. | H | A | C | C1 | C2 | A2 | H2 | K2 | K3 | K4 | Spmin. | DpØmin. | Weight | 
|---|---|---|---|---|---|---|---|---|---|---|---|---|---|
| ±0,35 | [g/m] | ||||||||||||
| NW-02-40 | 9.5 | 23 | 50 | 40 | 20 | 0 | 0 | M4 | 5 | 6.5 | 30 | ||
| NW-02-40-LLY | 9.5 | 23 | 50 | 40 | 20 | 0 | 0 | M4 | 5 | 6.5 | 30 | ||
| NW-02-40-LLZ | 9.5 | 23 | 50 | 40 | 20 | 0 | 0 | M4 | 5 | 6.5 | 30 | ||
| NW-02-40-LLYZ | 9.5 | 23 | 50 | 40 | 20 | 0 | 0 | M4 | 5 | 6.5 | 30 | 
| Order no. | Designation | Weight of carriage | ||
|---|---|---|---|---|
| [g] | ||||
| NW-12-40 | Moulded carriage | 30 | 9.86 EUR | |
| NW-12-40-LLY | Moulded carriage, floating bearing y-direction | 30 | 9.85 EUR | |
| NW-12-40-LLZ | Moulded carriage, floating bearing z-direction | 30 | 9.85 EUR | |
| NW-12-40-LLYZ | Moulded carriage, floating bearing y und z-direction | 30 | 9.86 EUR | |
| NW-12-27 | Moulded carriage | 12.5 | 5.99 EUR | |
| NW-12-27-80 | Carriage | 25 | 11.48 EUR | 
| Part. No. | H | A | C | C1 | C2 | A2 | H2 | K2 | K3 | K4 | Spmin. | DpØmin. | Weight | 
|---|---|---|---|---|---|---|---|---|---|---|---|---|---|
| ±0,35 | [g/m] | ||||||||||||
| NW-12-40 | 9.5 | 23 | 52 | 40 | 20 | 0 | 0 | M4 | 5 | 6.5 | 30 | ||
| NW-12-40-LLY | 9.5 | 23 | 52 | 40 | 20 | 0 | 0 | M4 | 5 | 6.5 | 30 | ||
| NW-12-40-LLZ | 9.5 | 23 | 52 | 40 | 20 | 0 | 0 | M4 | 5 | 6.5 | 30 | ||
| NW-12-40-LLYZ | 9.5 | 23 | 52 | 40 | 20 | 0 | 0 | M4 | 5 | 6.5 | 30 | ||
| NW-12-27 | 9.5 | 14 | 34 | 30 | 20 | 0 | 0 | M4 | 5 | 6.5 | 12.5 | ||
| NW-12-27-80 | 0 | 14 | 80 | 76 | 60 | 0 | 1.5 | M4 | 5 | 6.5 | 25 | 
no floating bearing
2Floating bearing in z-direction
3Floating bearing in y-direction
4Floating bearing in yz-direction
 
        Enter the required number of carriages.
 
       
         
         
        